Skip to product information
COSEL PBA1500F-15 Power Supply w/ NAC-20-472 Noise Filter 100-240Vac 15V DC 100A
COSEL PBA1500F-15 Power Supply w/ NAC-20-472 Noise Filter 100-240Vac 15V DC 100A
$499.99
Good used condition, pulled from working equipment. Nice and clean- see photo
***FREE SHIPPING TO THE LOWER 48 UNITED STATES, SHIPS WORLDWIDE IMMEDIATELY***
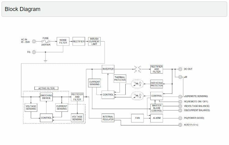
Details on the PBA1500F-15:
• Super small-size & light weight
• Parallel operation and Parallel redundancy operation
• Fan alarm, Remote ON/OFF and other functions
| Contents | Specifications | |
|---|---|---|
| Input Voltage | AC85 - 264V 1Φ or DC120 - 370V * | |
| Output | Wattage | 1500W |
| Voltage/Current | 15V 100A | |
| Adjustable Voltage Range | 10.50 - 16.50V | |
| Protection Circuit And Others | Overcurrent Protection | Works over 105% of rated current or 101% of peak current and recovers automatically |
| Overvoltage Protection | Vo+3.0 - 6.0V | |
| Remote ON/OFF | Provided | |
| Remote Sensing | Provided | |
| Others | - | |
| Operating Temperature/Humidity | -20 to +71℃ (Required Derating) , 20 - 90%RH (Non condensing) | |
| Safety And Noise Regulations | Agency Approvals (At only AC input) | UL60950-1, C-UL (CSA60950-1) , EN60950-1, EN50178 Complies with DEN-AN EN62368-1 pending |
| Conducted Noise | Complies with FCC Part15 classB, VCCI-B, CISPR22-B, EN55011-B, EN55022-B, additional EMI/EMC Filter required for meeting class B | |
| High Attenuation | Complies with IEC61000-3-2 * | |
| Others | Dimensions (WxHxD) | 178x61x268mm [7.01x2.4x10.55 inches] (without terminal block and screw) |
| Weight | 3.4kg max | |
| Cooling Method | Forced cooling (internal fan) | |
Details on the NAC-20-472 Noise Filter:
- Single-phase 250VAC 20A
- General-purpose
- High-attenuation from 150kHz to 1MHz
- 1-stage filter
- Push down type terminal block
| Contents | Specifications | |
|---|---|---|
| Rated Voltage | AC 1 φ 250V/DC250V | |
| Rated Current | 20A | |
| Operating Temperature | -40 to +85℃ (Refer to Derating Curve) | |
| Agency Approvals | UL1283, CSA C22.2 No.8 (C-UL) , DIN EN60939 VDE0565 Teil3-1, ENEC (At only AC input) |
|
| Others | Dimensions (WxHxD) | 53x41x92 mm [2.09x1.61x3.62 inches] (Option: -D refer to external view) |
| Weight | 300g max | |
International buyers ? please note: Import duties, taxes, and charges are not included in the item price or postage cost. These charges are the buyer's responsibility.
Please check with your country's customs office to determine what these additional costs will be, prior to bidding or buying.
If you are using an International freight-forwarding or mail redirection ? You are not covered through the eBay money-back guarantee if your item was sent to another address after original delivery, unless you request to use the eBay Global Shipping Program or eBay International Standard Delivery. We are not responsible for any items after they have arrived at a third-party freight-forwarder or mail redirection service.